来源: https://www.ugsnx.com/thread-346524-1-1.html
网友(潘铄)提问:
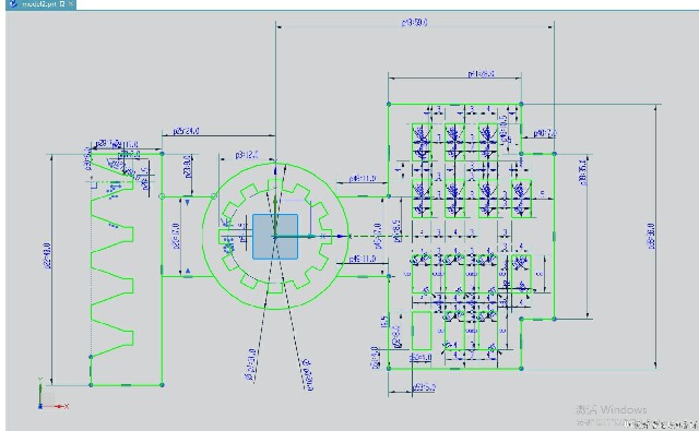
画着画着 线条就变绿色了,而且自动判断也失效了,实在不知道怎么办了,有没有大佬可以教一教。

大神(有情感的NPC)回复:
因为你在一个草图里画了太多线和尺寸了,软件启动了大草图模式了, 你把图形分两三个草图来画就好了。

全部回帖 还未有人评论,快来评论抢沙发吧!
本周热门
相关帖子
